


Wenn z. B. beim Oldtimer eine Dichtung das Zeitliche gesegnet hat, wird´s bei vielen Marken problematisch. Da es keine Neuteile-Fertigung gibt, versuchen Liebhaber auf Oldtimermärkten die kaputte Dichtung zu ersetzen. Doch auch die vermeintlichen Ersatzteile haben oft schon viele Jahre auf dem Buckel und sind kein adäquater Ersatz.
Hier können wir mit unserer modernen CNC-Technik preiswerte Ersatzteil-Dichtungen als Einzelstück fertigen. Egal ob es eine kaputte Scheinwerfer-Dichtung oder eine Abdichtung fürs Luftfiltergehäuse sein soll. Unser CNC-Plotter schneidet exakt die fehlende Dichtung aus hochwertigen Dichtungsmaterialien.
Nach Anlieferung einer korrekten DXF-Datei schneidet ein extrem scharfes Spezialmesser die exakten Konturen aus z. B. EPDM Zellkautschuk (Moosgummi) oder Neopren-Zellkautschuk aus. Dabei können Sie sogar wählen, ob einseitig ein Kleber aufgebracht sein soll, um die Dichtung beim Einbau sauber zu fixieren.

Unsere EPDM-Zellkautschuk-Dichtungen werden auf modernen CNC-Plottern hergestellt. Dabei erfolgt der Zuschnitt mit einem präzisen Messerverfahren, das besonders materialschonend arbeitet.
Je nach Kontur und Materialstärke des EPDM Zellkautschuks erreichen wir sehr gute Fertigungstoleranzen zwischen ± 0,1 mm und ± 0,5 mm.
Egal ob wir Ihnen eine nicht mehr lieferbare Flachdichtung ersetzen, oder diese für z. B. einen Prototypenbau fertigen, Sie erhalten Sie ein Bauteil, das exakt Ihren Maßvorgaben entspricht.
Das EPDM Zellkautschuk Material (Moosgummi) eignet sich ideal für Dichtflächen, Flansche, Gehäuse, Abdeckungen oder Prototypen.

Ja, das ist einer der häufigsten Einsatzfälle unserer individuellen Flachdichtung-Fertigung.
Wenn Original-Dichtungen – etwa aus älteren Maschinen, Oldtimern oder Spezialanlagen – nicht mehr erhältlich sind, können wir diese nach Muster (z. B. PDF der alten Dichtung über einen Kopierer, oder Maßzeichnung von Hand, sowie aus einem CAD Programm reproduzieren.
Sie senden uns dazu entweder eine technische Skizze oder das Originalteil, das wir digitalisieren und als Zuschnitt umsetzen. Das Ergebnis ist bei Wahl des richtigen EPDM Materials und der Stärke, eine funktional gleichwertige Dichtung, die sich passgenau in Ihre Anwendung integrieren lässt.

Ja, bei korrekter Maßangabe und geeigneter Materialwahl erreichen individuell zugeschnittene EPDM-Dichtungen die gleiche oder sogar höhere Dichtwirkung wie Serien- oder Originalteile.
Zu bedenken ist, dass hier modernes Material nach neuen Herstellungsverfahren, häufig sehr alte und von der Umwelt mitgenommene Materialien ersetzt.
EPDM-Zellkautschuk bietet hervorragende Elastizität und Kompressibilität, wodurch sich die Dichtung optimal an Kontaktflächen anlegt. Zudem ist das Material witterungs-, UV- und ozonbeständig und bleibt langfristig elastisch.
Diese Eigenschaften sind ein entscheidender Vorteil gegenüber gealterten Original-Gummidichtungen.

Damit Ihre Dichtung exakt sitzt, empfehlen wir eine saubere Maßaufnahme oder das Zusenden eines Musters.
Auch eine PDF von einer Kopie ist eine zuverlässige Quelle frü eine maßhaltige Dichtung entsprechend der originalen Dichtung. Am Besten legen Sie ein Lineal für den Maßstab mit auf den Kopierer.
Alternativ können Sie uns eine technische Zeichnung (DXF, DWG, PDF) oder ein CAD-Modell bereitstellen.
Sollte Sie als Quelle für die Dichtung eine DXF aus einem CAD Programm schicken, hält unser Plotter exakt diese Maße ein und die Dichtung wird der CAD Zeichnung entsprechen.
Wenn als Quelle eine originale Dichtung, eine PDF oder eine Zeichnung mit vollständigen Maßangaben dient, werden wir die DXF exakt nach diesen Vorgaben erstellen und die Dichtung passt exakt.

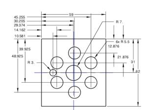
Bei der Herstellung von maßhaltigen Flachdichtungen aus Moosgummi ermöglichen unsere CNC-Plotter nahezu jede 2D-Form:
EPDM-Zellkautschuk ist in verschiedenen Materialstärken 1 mm bis 20 mm verfügbar. Das sauber bearbeitbare Material kann in beliebigen Außenmaßen zugeschnitten werden.
So lassen sich Einzelstücke von Flachdichtungen, also Sonderanfertigung Flachdichtungen ebenso realisieren wie Kleinserien oder komplette Dichtungssätze.

EPDM-Zellkautschuk ist ein vielseitiges Material mit sehr vielen guten Eigenschaften:
Nicht empfohlen ist EPDM z. B. bei dauerndem Kontakt mit Ölen, Kraftstoffen oder Lösungsmitteln.
Zur Erstellung von Flachdichtungen in besonderen Fällen, bieten wir den individuellen Zuschnitt von NBR-Dichtungen, Neopren Zellkautschuk Dichtugen, Hochdruck-Dichtungen, Hypalon Vollgummi Dichutunen, FKM oder auch Viton Dichtungen und mehr.

Unser Bestellprozess für individuell hergestellte Flachdichtungen aus EPDM Zellkautschuk / Moosgummi ist einfach:
Die Lieferung erfolgt in der Regel innerhalb weniger Arbeitstage, abhängig von Komplexität und Stückzahl.
So erhalten Sie Ihre Dichtung schnell, präzise und ohne Umwege.

Die Kosten für eine Sonderanfertigung von Flachdichtungen hängen von Form, Materialstärke und Stückzahl ab. Gerade bei Einzel- oder Kleinserien lohnt sich der CNC-Messerzuschnitt jedoch besonders, weil keine Werkzeugkosten anfallen.
Wir haben in unseren Online-Preis-Kalkulator für Einzel- und Kleinserienfertigung von Flachdichtungen investiert, dass eine sofortige Bestellung, ohne Personal- und Zeitaufwand für Angebote möglich ist.
Die Einsparung von Personalaufwand ermöglicht sehr spannende Preise für Ihre Flachdichtungen.
Sie erhalten also auch bei einer Sonderanfertigung Flachdichtungen ein wirtschaftliches Ergebnis – und vermeiden Folgeschäden durch undichte oder unpassende Provisorien.

EPDM-Zellkautschuk überzeugt durch hohe Alterungsbeständigkeit und bleibt über viele Jahre elastisch.
Die Lebensdauer hängt von Einsatzbedingungen und dem Anpressdruck der Dichtugn ab.
In der Regel liegt die Haltbarkeit einer Moosgummidichtung / EPDM Zellkautschukdichtung deutlich über der von Weich-PVC oder Naturkautschuk-Dichtungen.
Für Außenanwendungen ist EPDM dank seiner UV-Stabilität besonders empfehlenswert.

Ja. Wenn Sie die DXF-Datei für den Zuschnitt der Dichtung haben, können Sie mit dieser Datei jederzeit eine neue Bestellung im Online-Shop von Fugendichtband24.de aufgeben.
Wenn Ihre Dichtung einmal gefertigt wurde, speichern wir auf Wunsch auch Ihre digitalen Fertigungsdaten.
So können Sie jederzeit identische Nachbestellungen auslösen, also auch nach längerer Zeit. Das spart Aufwand und sichert eine gleichbleibende Passgenauigkeit.